|
|
尺寸表
|
系列號(hào)
|
SFB1
|
SFB2
|
SFB3
|
SFB4
|
SFB5
|
壓力代號(hào)
|
C
|
D
|
G
|
C
|
D
|
G
|
C
|
D
|
G
|
C
|
D
|
G
|
C
|
D
|
G
|
|
S
|
?25
|
?30
|
?38
|
?50
|
?64
|
|
P
|
?12.5
|
?20
|
?25
|
?30
|
?38
|
|
A
|
118
|
140
|
177
|
224
|
280
|
|
B
|
100
|
109
|
140
|
180
|
224
|
|
C
|
9
|
11
|
14
|
18
|
22
|
|
I
|
44
|
50
|
68
|
92
|
92
|
|
K
|
76
|
88
|
112
|
144
|
153
|
|
L
|
165
|
200
|
197
|
242
|
197
|
242
|
197
|
242
|
197
|
242
|
|
M
|
53
|
88
|
63
|
108
|
63
|
108
|
63
|
108
|
63
|
108
|
|
N
|
?63h8
|
?80h8
|
?100h8
|
?125h8
|
?160h8
|
|
0
|
12
|
12
|
16
|
20
|
24
|
|
T
|
95
|
115
|
145
|
180
|
224
|
|
V
|
7
|
7
|
9
|
9
|
9
|
|
Z
|
50
|
60
|
75
|
93
|
115
|
|
D
|
?20j6
|
?25j6
|
?32j6
|
?40j6
|
?50j6
|
|
E
|
36
|
42
|
58
|
82
|
82
|
|
F
|
6
|
8
|
10
|
12
|
14
|
|
G
|
22.5
|
28
|
35
|
43
|
53.5
|
|
W
|
32
|
38
|
54
|
70
|
80
|
重量
|
6.5
|
8.5
|
11.5
|
15
|
21.5
|
28
|
41
|
53
|
75
|
103
|
|
|
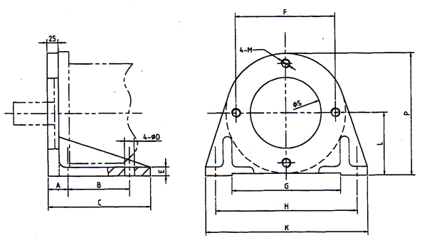
油泵安裝座
|
|
|
系列號(hào)
|
A
|
B
|
C
|
D
|
E
|
F
|
G
|
H
|
K
|
M
|
S0+0.1
|
L0+0.2
|
P
|
|
SFB1
|
35
|
80
|
135
|
?11
|
12
|
100
|
114
|
156
|
184
|
M8
|
63
|
85
|
144
|
|
SFB2
|
109
|
130
|
175
|
200
|
M10
|
80
|
95
|
165
|
|
SFB3
|
40
|
140
|
?13
|
16
|
140
|
165
|
221
|
246
|
M12
|
100
|
108
|
200
|
|
SFB4
|
50
|
120
|
200
|
?18
|
18
|
180
|
195
|
250
|
290
|
M16
|
125
|
145
|
257
|
|
SFB5
|
140
|
230
|
?22
|
20
|
224
|
245
|
320
|
365
|
M20
|
160
|
175
|
315
|
|